Smev 9222 (now the Dometic HSG 2370) left or right hand hob and sink
Manufactured to the highest standards and designed with high grade materials for an expert finish, the Dometic HSG 2370 formerly the Smev 9222 Caravan and Motor Home hob and sink combination is available with the option of having the sink on either the right or the left, and is ideal for making the most out of minimal space! The Dometic HSG 2370 features twin glass lids, detachable pan supports.
Piezo Ignition
The pre-fitted convenient piezo ignition system means you can light the ring without the need for a 12 volt supply.
Safety Ignition System
A flame failure device is included for peace of mind that the gas will shut off if the flame is extinguished unexpectedly.
Left or right?
Simple, if the sink is on the right as you look at it, it’s a right hand.
Dometic HSG 2370, it’s still the Smev 9222 with the same features:
- Heat resistant safety glass lids
- 39mm tap hole
- Seal and siphon included
- Removable pan supports
- Gas consumption 204 H/G
- Template will be drawn on the box for you.
Tap not included
To order a folding tap alongside the purchase of the Dometic HSG 2370 simply tick which tap you’d like above before adding your purchase to the shopping cart.
Please note, Dometic warranty does not cover 9222 hobs for boat and marine usage, including both inland and offshore waterways.
Technical Specifications:
- Material:
- Stainless Steel
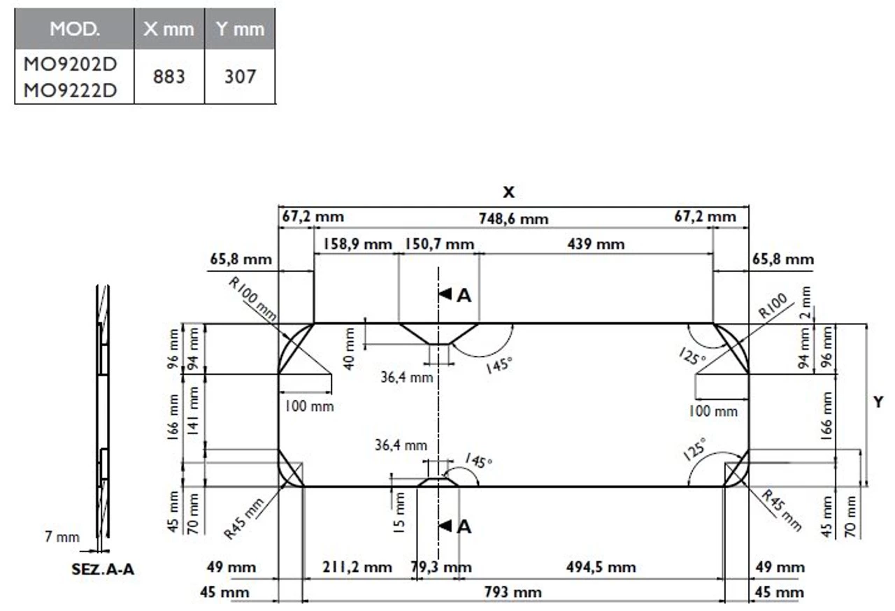
- Dimensions:
- H152 x W900 x D370 mm
- Ignition:
- Piezo Ignition
- Includes:
- Seal, 20mm waste outlet

























Reviews
There are no reviews yet.